Encomenda não: 76 0133 0011 00104-0200
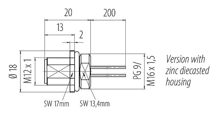
M12 Bujão flangeado, Contatos: 4, desprotegido, fios simples, IP68, UL 2238, PG 9, Montagem frontal
M12-B, Série 766, Tecnologia de automação - transmissão de dados
Características gerais
maismenos| Número de pedido |
76 0133 0011 00104-0200
Número do produto antigo: 09 4431 00 04
|
| Aviso |
Favor notar que devido à mudança do número de pedido antigo para o novo, pode haver desvios nas especificações técnicas. Para perguntas detalhadas sobre o produto, favor usar o módulo "Contate o Serviço de Atendimento ao Cliente" no lado direito deste website.
mais |
| Design do Conector | Bujão flangeado |
| Tipo padrão | DIN EN 61076-2-101 |
| Codificação | codificados em B |
| Comprimento do cabo | 0,2 m (Standard 0,2 m. Outros comprimentos estão disponíveis mediante solicitação). |
| Versão | Pino conector reto |
| Sistema de travamento do conector | parafuso |
| Terminação | fios simples |
| Grau de proteção | IP68 |
| Seção transversal da conexão | 0,25 mm² / AWG 24 |
| Faixa de temperatura de / a | -40 °C / 85 °C |
| Operação mecânica | > 100 Ciclos de conexão |
| Peso (gr) | 11.35 |
| Número de tarifa alfandegária | 85369010 |
| País de origem | DE |
Parâmetros elétricos
maismenos| Tensão nominal | 250 V |
| Tensão de impulso nominal | 2500 V |
| Corrente nominal (40 ° C) | 4,0 A |
| Resistência de isolamento | > 108 Ω |
| Grau de poluição | 3 |
| Categoria de sobretensão | II |
| Grupo material | II |
| Conformidade EMV | desprotegido |
Material
maismenos| Material de caixa | Zinco fundido sob pressão, niquelado |
| Material do corpo de contato | PA |
| Material de contato | CuZn (latão) |
| Chapa de contato | Ow (Ouro) |
| REACH SVHC |
CAS 7439-92-1 (Lead) |
| PFAS presente | a7319fa7-a4ba-4354-bdf0-7962d6ffe70d |
Dados sobre fios trançados
maismenos| Estrutura do fio | |
| Seção transversal (mm²) | 4 x 0,25 mm² |
| Seção transversal (AWG) | 4 x AWG 24 |
| Diâmetro do fio | 1,5 mm |
| Cores do fio |
branco marrom azul preto |
| Material da bainha | PVC |
| Material do fio | Cu (estanhado) |
| Estrutura do fio | 7 x 0,203 mm |
| Propriedades elétricas | |
| Tensão nominal | 300 V |
| Tensão de impulso nominal | 3000 V |
| Resistência do fio | 90 Ω/Km (20°C) |
| Resistência de isolamento | 20,0 MΩ/Km (20 °C) |
| Propriedades térmicas | |
| Faixa de temperatura movimento de / a (°C) | -10 °C / 105 °C |
| Faixa de temperatura fixada de / a (°C) | -30 °C / 105 °C |
Autorizações / aprovações
maismenos| Approvals | UL 2238 |
Classificações
maismenos| eCl@ss 11.1 | 27-44-01-03 |
| ETIM 9.0 | EC003570 |
Avisos de segurança
- O conector não deve ser plugado ou desconectado sob carga. O não cumprimento e o uso impróprio podem resultar em danos pessoais.
- Os conectores foram desenvolvidos para aplicações em engenharia de instalações, controle e construção de equipamentos elétricos. O usuário é responsável por verificar se os conectores também podem ser usados em outras áreas de aplicação.
- Conectores que são usados em circuitos com tensões perigosas ao toque só podem ser instalados e usados por, ou sob a supervisão de, pessoas com treinamento em engenharia elétrica, levando em conta os regulamentos e normas aplicáveis.
- O usuário deve tomar as devidas precauções de segurança para garantir que o conector não possa ser desligado acidentalmente.
- Os conectores com proteção IP67 e IP68 não são adequados para uso sob água. Quando utilizados ao ar livre, os conectores devem ser protegidos separadamente contra a corrosão. Para maiores informações sobre as classes de proteção IP, consulte o centro de download "Informações Técnicas".
- Favor observar o grau de poluição e a categoria de sobretensão. Para maiores informações, consulte o centro de download "Informações Técnicas".
- Para travar o conector do cabo com o conector do dispositivo, o anel roscado é apertado "à mão" (aproximadamente 60 cNm).
Downloads
Folha de dados
Folha de dados 76 0133 0011 00104-0200
download
Certificado
Certificado UL
download
REACH
76 0133 0011 00104-0200
download
RoHS
76 0133 0011 00104-0200
download
China RoHS
76 0133 0011 00104-0200
download
Dados EPLAN
76 0133 0011 00104-0200
download
Verificar para transferir
Conclua a verificação para prosseguir com o download do CAD.
Dados CAD
selecione o formato desejado


