Características gerais
maismenos| Número de pedido | 04 0735 124 |
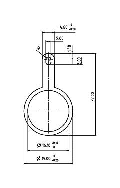
| Design do Conector | Folha de blindagem |
| Peso (gr) | 0.335 |
| Número de tarifa alfandegária | 74092900 |
Parâmetros elétricos
maismenos| Conexão de tela | Argola de solda |
Material
maismenos| REACH SVHC |
None (No pollutants) |
| PFAS presente | SCIP-number not available |
| Superfície | DIN 50965 - Cu/Sn 4-8 |
| Material | CuZn37 |
Classificações
maismenos| eCl@ss 11.1 | 27-44-01-92 |
Avisos de segurança
- O usuário deve tomar as devidas precauções de segurança para garantir que o conector não possa ser desligado acidentalmente.

