Artikelnummer: 09 3782 91 08
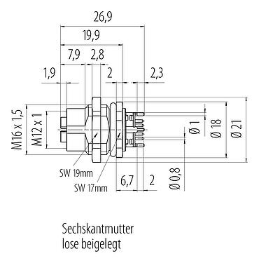
M12 Flanschdose, Polzahl: 8, schirmbar, THT, IP67, UL, M16x1,5, Rückwandmontage
M12-X, Serie 876, Automatisierungstechnik - Datenübertragung
Allgemeine Kennwerte
mehrweniger| Artikelnummer | 09 3782 91 08 |
| Steckverbinder-Bauform | Flanschdose |
| Bauartnorm | DIN EN 61076-2-109 |
| Kodierung | X-kodiert |
| Ausführung | Steckverbinder Buchse gerade |
| Steckverbinder Verriegelung | schrauben |
| Anschlussart | THT |
| Schutzart | IP67 |
| Temperaturbereich von / bis | -40 °C / 85 °C |
| Mechanische Lebensdauer | > 100 Steckzyklen |
| Gewicht (gr) | 14.52 |
| Zolltarifnummer | 85369010 |
| Ursprungsland | DE |
Elektrische Kennwerte
mehrweniger| Bemessungsspannung | 50 V (AC) / 60 V (DC) |
| Bemessungsstrom | 0,5 A |
| Isolationswiderstand | > 108 Ω |
| Verschmutzungsgrad | 3 |
| Übertragungseigenschaft | CAT 6A |
| Überspannungskategorie | II |
| Isolierstoffgruppe | III |
| EMV-Tauglichkeit | schirmbar |
| Schirmanbindung | Schirmpin |
Werkstoffe
mehrweniger| Material Gehäuse | Zinkdruckguss vernickelt |
| Material Kontaktkörper | PA |
| Material Kontakt | CuSn (Bronze) |
| Kontaktoberfläche | Au (Gold) |
| Material Verriegelung | CuZn (Messing) |
| REACH SVHC |
CAS 7439-92-1 (Lead) |
| SCIP Nummer | 9801c53c-21f9-4133-b458-fb4f56b996bc |
Zulassungen / Approbationen
mehrweniger| Zulassungen | UL |
| Normen und Vorschriften |
DIN EN 61373 DIN EN 45545-2 (gemäß Anforderungssatz R26 (HL1 – HL3)) |
Klassifikationen
mehrweniger| eCl@ss 11.1 | 27-44-01-09 |
| ETIM 9.0 | EC003569 |
Sicherheitshinweise / Montagehinweise
- Der Steckverbinder darf nicht unter Last gesteckt oder getrennt werden. Eine Nichtbeachtung sowie unsachgemäße Verwendung kann Personenschäden zur Folge haben.
- Die Steckverbinder sind für Einsatzbereiche im Anlagen-, Steuerungs- und Elektrogerätebau entwickelt worden. Die Überprüfung, ob die Steckverbinder auch in anderen Einsatzgebieten verwendet werden können, obliegt dem Anwender.
- Steckverbinder, die in Stromkreisen mit berührungsgefährlichen Spannungen eingesetzt werden, dürfen nur von, oder unter Aufsicht von Personen, die eine elektrotechnische Ausbildung besitzen, unter Berücksichtigung der geltenden Bestimmungen und Normen montiert und benutzt werden.
- Durch den Anwender sind geeignete Sicherheitsvorkehrungen zu treffen, damit der Steckverbinder nicht versehentlich gelöst werden kann.
- Steckverbinder mit der Schutzart IP67 und IP68 sind nicht für die Verwendung unter Wasser geeignet. Beim Einsatz im Freien müssen die Steckverbinder gesondert gegen Korrosion geschützt werden. Weitere Infos zu den IP Schutzarten siehe im Bereich Downloadcenter „Technische Informationen“.
- Bitte beachten Sie die Verschmutzungsgrade und die Überspannungskategorie. Weitere Infos hierzu siehe Bereich Downloadcenter „Technische Informationen“.
- Zum Verriegeln des Kabelsteckverbinders mit dem Gerätesteckverbinder wird der Gewindering „handfest“ (ca. 60 cNm) angezogen.
Downloads
Datenblatt
Datenblatt 09 3782 91 08
herunterladen
Zertifikat
UL Zulassung
herunterladen
REACH
09 3782 91 08
herunterladen
RoHS
09 3782 91 08
herunterladen
China RoHS
09 3782 91 08
herunterladen
EPLAN Daten
09 3782 91 08
herunterladen
Verifizierung für Download
Bitte schließen Sie die Verifizierung ab, um den CAD-Download fortzusetzen.
CAD-Daten
Gewünsches Format auswählen





