Нет заказа: 09 0323 290 06
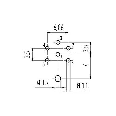
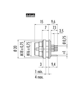
M16 Фланцевая заглушка, Количество полюсов: 6 (06-a), экранируемый, THT, IP40, M18x0,75, Монтаж задней стенки
M16 IP40, серия 680, Миниатюрные разъемы
Общие характеристики
большеменьше| Номер для заказа | 09 0323 290 06 |
| Конструкция соединителя | Фланцевая заглушка |
| Стандарт типа | DIN EN 61076-2-106 |
| Версия | Pразъем вилка прямой |
| Система фиксации разъема | винты |
| Концевая заделка | THT |
| Степень защиты | IP40 |
| Температурный диапазон от/до | -40 °C / 85 °C |
| Механическая операция | > 500 циклов соединения |
| Вес (г) | 14.00 |
| Номер таможенного тарифа | 85369010 |
| Страна происхождения | DE |
Электрические параметры
большеменьше| Номинальное напряжение | 250 V |
| Номинальное импульсное напряжение | 1500 V |
| Номинальный ток | 5,0 A |
| Сопротивление изоляции | ≥ 1010 Ω |
| Степень загрязнения | 1 |
| Категория перенапряжения | I |
| Группа материала | III |
| Соответствие EMV | экранируемый |
| Подключение экрана | Штырь экрана |
Материал
большеменьше| Материал корпуса | Цинк никелированный, литой под давлением |
| Материал тела контакта | ПБТ (UL94 V-0) |
| Материал контакта | CuZn (латунь) |
| Покрытие контактов | Ag (серебро) |
| REACH SVHC |
CAS 7439-92-1 (Lead) |
| Наличие PFAS | 0aa0b6ec-52b2-4ad4-a972-5c6a23f9d413 |
Классификация
большеменьше| eCl@ss 11.1 | 27-44-01-09 |
| ETIM 9.0 | EC003569 |
Уведомления о безопасности
- Запрещается соединять и рассоединять разъемы под нагрузкой. Несоблюдение этого требования и неправильное использование могут привести к травмам.
- Эти разъемы были разработаны для применения в производственном, контрольном и электрическом оборудовании. Пользователь сам должен убедиться, что эти разъемы можно использовать и в других областях применения.
- Разъемы, которые используются в цепях с опасным напряжением, могут устанавливаться и эксплуатироваться только лицами, прошедшими обучение по электротехнике, или под их надзором, а также с учетом действующих норм и стандартов.
- Пользователь должен принять необходимые меры безопасности, чтобы исключить случайное рассоединение разъема.
- Следует учитывать степень загрязнения и категорию перенапряжения. Подробнее см. в центре материалов для скачивания «Техническая информация».
- Чтобы соединить кабельный разъем с разъемом устройства, необходимо от руки (ок. 60 сНм)затянуть резьбовое кольцо .
Загрузки
Проспект изделия
Проспект изделия 09 0323 290 06
скачать
REACH
09 0323 290 06
скачать
RoHS
09 0323 290 06
скачать
China RoHS
09 0323 290 06
скачать
Данные EPLAN
09 0323 290 06
скачать
Проверка для загрузки
Пожалуйста, завершите проверку для продолжения загрузки CAD.
CAD-файлы
Выберите нужный формат




