Numer części: 79 5236 00 04
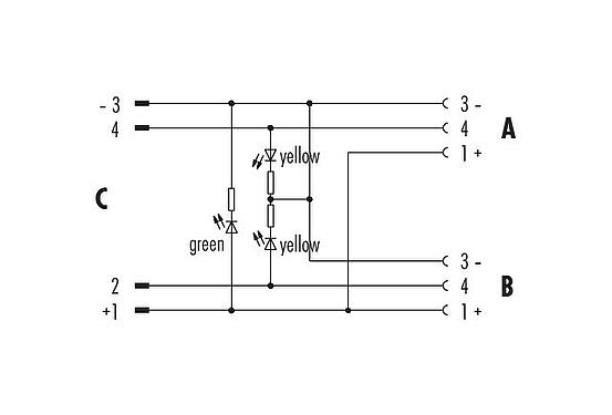
M12 Rozdzielacz dwukierunkowy, Y-rozdzielacz, wtyczka - 2 gniazda, Kontaktów: 4/3, nieekranowany, wtykowa, IP68, UL 2238, z diodą PNP
Zestawy przewodów dwustronnych M12/M8, seria 765, Technologia automatyzacji - czujniki i elementy wykonawcze (aktuatory)
Cechy ogólne
więcejmniej| Numer części | 79 5236 00 04 |
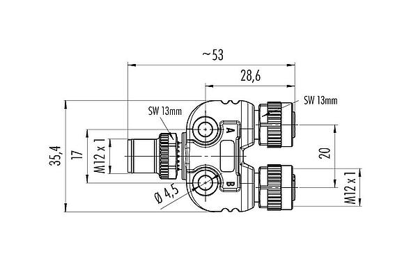
| Konstrukcja złączy | Rozdzielacz dwukierunkowy, Y-rozdzielacz, wtyczka - 2 gniazda |
| Typ standardowy | DIN EN 61076-2-101 |
| Kodowanie | kodowane A |
| Wersja | Rozdzielacz dwukierunkowy |
| System blokady złączy | śruba |
| Obtrysk na kablu | wtykowa |
| Stopień ochrony | IP68 |
| Zakres temperatur od/do | -25 °C / 85 °C |
| Ilość cykli łączenia | > 100 cykli łączenia |
| Waga (gr) | 34.50 |
| Numer taryfy celnej | 85444290 |
| Kraj pochodzenia | DE |
Parametry elektryczne
więcejmniej| Napięcie znamionowe | 30 V |
| Znamionowe napięcie udarowe | 800 V |
| Prąd znamionowy | 4,0 A |
| Stopień zanieczyszczenia | 3 |
| Kategoria przepięciowa | II |
| Grupa materiałowa | II |
| Zgodność z EMV | nieekranowany |
Materiał
więcejmniej| Materiał styków | PUR |
| Materiał korpusu styków | PUR |
| Materiał styku | CuZn (mosiądz) / CuSn (brąz) |
| Pokrycie styku | Au (złoto) |
| Materiał elementu blokującego | Odlew cynkowy, niklowany |
| REACH SVHC |
CAS 7439-92-1 (Lead) |
| Obecność PFAS | ff3bb6d1-3cdd-450e-a9e7-f6de0580316a |
Zezwolenia/zatwierdzenia
więcejmniej| Wstęp | UL 2238 |
Klasyfikacje
więcejmniej| eCl@ss 11.1 | 27-06-03-11 |
| ETIM 9.0 | EC002638 |
Deklaracje zgodności
więcejmniej| Dyrektywa RoHS | EN IEC 63000:2018 |
Uwagi dotyczące bezpieczeństwa
- Wtyczki nie wolno podłączać ani odłączać pod obciążeniem. Nieprzestrzeganie i niewłaściwe użytkowanie może spowodować obrażenia ciała.
- Złącza zostały stworzone do zastosowań w inżynierii instalacji, sterowaniu i budowie wyposażenia elektrycznego. Użytkownik jest odpowiedzialny za sprawdzenie, czy złącza mogą być używane również do innych zastosowań.
- Złącza stosowane w obwodach o napięciach niebezpiecznych w dotyku mogą być instalowane i używane wyłącznie przez osoby z wykształceniem elektrotechnicznym lub pod ich nadzorem, z uwzględnieniem obowiązujących przepisów i norm.
- Użytkownik musi podjąć odpowiednie środki ostrożności, aby zapobiec przypadkowemu odłączeniu złącza.
- Złącza wtykowe o stopniu ochrony IP67 i IP68 nie nadają się do stosowania pod wodą. W przypadku stosowania na zewnątrz złącza wtykowe należy oddzielnie zabezpieczyć przed korozją. Więcej informacji na temat klas ochrony IP można znaleźć w centrum pobierania w sekcji "Informacje Techniczne".
- Należy zwrócić uwagę na stopień zanieczyszczenia i kategorię przepięciową. Więcej informacji można znaleźć w centrum pobierania w sekcji "Informacje Techniczne".
- Aby zblokować złącze kablowe w złączu urządzenia, gwintowany pierścień jest 'ręcznie' dokręcany (ok. 60 cNm).
Pliki
Arkusz danych
Arkusz danych 79 5236 00 04
pobierz
Certyfikat
Certyfikat UL
pobierz
REACH
79 5236 00 04
pobierz
RoHS
79 5236 00 04
pobierz
China RoHS
79 5236 00 04
pobierz
Deklaracja zgodności CE
Dyrektywa RoHS
pobierz
Deklaracja zgodności UKCA
UK-RoHS
pobierz
Weryfikacja do pobrania
Ukończ weryfikację, aby kontynuować pobieranie CAD.
Dane CAD
Wybierz żądany format


