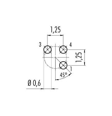
Número de parte: 09 3106 81 03
M5 Toma de brida, Número de contactos: 3, sin blindaje, THT, IP67, M5x0,5, Montaje en pared
M5, serie 707, Tecnología de automatización - sensores y actuadores
Hay una versión más reciente de este artículo
Comparación directa versión antigua/nueva
86 8106 1100 00003
M5 Toma de brida, Número de contactos: 3, sin blindaje, THT, IP67, UL 2238, M5x0,5, Montaje en pared
M5, serie 707, Tecnología de automatización - sensores y actuadores
Características generales
másmenos| Número de parte | 09 3106 81 03 |
| Diseño de conector | Toma de brida |
| Tipo estándar | DIN EN 61076-2-105 |
| Codificación | código A |
| Versión | Conector hembra recto |
| Sistema de bloqueo de conector | tornillo |
| Terminación | THT |
| Grado de protección | IP67 |
| Rango de temperatura desde / hasta | -25 °C / 80 °C |
| Operacion mecanica | > 100 ciclos de conexión |
| Peso (gr) | 3.20 |
| Número de arancel aduanero | 85369010 |
| País de origen | DE |
Parámetros eléctricos
másmenos| Voltaje nominal | 60 V |
| Voltaje de impulso nominal | 800 V |
| Corriente nominal (40 ° C) | 1,0 A |
| Resistencia de aislamiento | > 108 Ω |
| Grado de contaminación | 3 |
| Categoría de sobrevoltaje | II |
| Grupo de materiales | I |
| Cumplimiento de EMV | sin blindaje |
Material
másmenos| Material del cuerpo de contacto | PA |
| Material de contacto | CuSn (bronce) |
| Chapado de contacto | Au (oro) |
| REACH SVHC |
CAS 7439-92-1 (Lead) |
| PFAS presentes | b9845a01-03e7-4a54-a421-086c96caab48 |
Clasificaciones
másmenos| eCl@ss 11.1 | 27-44-01-09 |
| ETIM 9.0 | EC003569 |
Avisos de seguridad
- El conector no debe estar enchufado ni estar desenchufado bajo carga. El incumplimiento y el uso inadecuado pueden provocar lesiones personales.
- Los conectores se han desarrollado para aplicaciones en planta de ingeniería, control y construcción de equipos eléctricos. El usuario es responsable de comprobar si los conectores también se pueden utilizar en otras áreas de aplicación.
- Los conectores que se utilizan en circuitos con voltajes peligrosos al tacto sólo pueden ser instalados y utilizados por, o bajo la supervisión de, personas con formación en ingeniería eléctrica, teniendo en cuenta las normativas y normas aplicables.
- El usuario debe tomar las precauciones de seguridad adecuadas para asegurarse de que el conector no pueda desconectarse accidentalmente.
- Los conectores enchufables con protección del recinto IP67 e IP68 no son adecuados para su uso bajo el agua. Cuando se utilizan en exteriores, los conectores enchufables deben protegerse por separado contra la corrosión. Para obtener más información sobre las clases de protección IP, consulte "información técnica" Centro de descargas
- Por favor observe el grado de contaminación y la categoría de sobretensión. Para obtener más información, consulte el centro de descargas "información técnica"
- Para bloquear el conector del cable con el conector del dispositivo, el anillo roscado se aprieta "apretado con la mano"(aprox. 50 cNm).
Descargas
Ficha técnica
Ficha técnica 09 3106 81 03
descargar
REACH
09 3106 81 03
descargar
RoHS
09 3106 81 03
descargar
China RoHS
09 3106 81 03
descargar
Datos EPLAN
09 3106 81 03
descargar
Verificación para descargar
Complete la verificación para continuar con la descarga CAD.
Datos CAD
Elija su formato preferido




