Número de parte: 09 0404 35 02
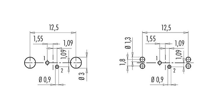
M9 Toma de brida, Número de contactos: 2, blindable, THT, IP67, M12x0,5, Montaje en pared
M9 IP67, serie 712, Conectores subminiatura
Características generales
másmenos| Número de parte | 09 0404 35 02 |
| Diseño de conector | Toma de brida |
| Versión | Conector hembra recto |
| Sistema de bloqueo de conector | tornillo |
| Terminación | THT |
| Grado de protección | IP67 |
| Rango de temperatura desde / hasta | -40 °C / 85 °C |
| Operacion mecanica | > 500 ciclos de conexión |
| Peso (gr) | 10.24 |
| Número de arancel aduanero | 85369010 |
| País de origen | DE |
Parámetros eléctricos
másmenos| Voltaje nominal | 125 V |
| Voltaje de impulso nominal | 1500 V |
| Corriente nominal (40 ° C) | 4,0 A |
| Resistencia de aislamiento | ≥ 108 Ω |
| Grado de contaminación | 1 |
| Categoría de sobrevoltaje | II |
| Grupo de materiales | III |
| Cumplimiento de EMV | blindable |
| Conexión de pantalla | placa de protección |
Material
másmenos| Material del cuerpo de contacto | PA (UL94 V-0) |
| Material de contacto | CuSn (bronce) |
| Chapado de contacto | Au (oro) |
| REACH SVHC |
CAS 7439-92-1 (Lead) |
| PFAS presentes | 37ffd863-3533-4de8-b0cb-1fbe41586643 |
Clasificaciones
másmenos| eCl@ss 11.1 | 27-44-01-09 |
| ETIM 9.0 | EC003569 |
Trade-Compliance
másmenos| Copper (9903.78.01) | 0.001013 kg |
Avisos de seguridad
- El conector no debe estar enchufado ni estar desenchufado bajo carga. El incumplimiento y el uso inadecuado pueden provocar lesiones personales.
- Los conectores se han desarrollado para aplicaciones en planta de ingeniería, control y construcción de equipos eléctricos. El usuario es responsable de comprobar si los conectores también se pueden utilizar en otras áreas de aplicación.
- Los conectores enchufables con protección del recinto IP67 e IP68 no son adecuados para su uso bajo el agua. Cuando se utilizan en exteriores, los conectores enchufables deben protegerse por separado contra la corrosión. Para obtener más información sobre las clases de protección IP, consulte "información técnica" Centro de descargas
Descargas
Ficha técnica
Ficha técnica 09 0404 35 02
descargar
REACH
09 0404 35 02
descargar
RoHS
09 0404 35 02
descargar
China RoHS
09 0404 35 02
descargar
Datos EPLAN
09 0404 35 02
descargar
Verificación para descargar
Complete la verificación para continuar con la descarga CAD.
Datos CAD
Elija su formato preferido




