Número de parte: 09 0173 702 08
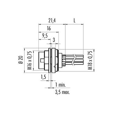
M16 Enchufe de brida, Número de contactos: 8 (08-a), sin blindaje, hilos, IP68, UL 2238, Cumple con AISG, M18x0,75, Montaje frontal
M16 IP67, serie 723, Conectores miniatura
Características generales
másmenos| Número de parte | 09 0173 702 08 |
| Diseño de conector | Enchufe de brida |
| Tipo estándar | DIN EN 61076-2-106 |
| Longitud de cable | 0,2 m (Estándar 0,2 m. Otras longitudes disponibles previa solicitud). |
| Versión | Conector macho recto |
| Sistema de bloqueo de conector | tornillo |
| Terminación | hilos |
| Grado de protección | IP68 |
| Sección de conexión | AWG 22 |
| Rango de temperatura desde / hasta | -30 °C / 85 °C |
| Operacion mecanica | > 500 ciclos de conexión |
| Peso (gr) | 21.32 |
| Número de arancel aduanero | 85369010 |
| País de origen | DE |
Parámetros eléctricos
másmenos| Voltaje nominal | 100 V |
| Voltaje de impulso nominal | 1200 V |
| Corriente nominal (40 ° C) | 5,0 A |
| Resistencia de aislamiento | ≥ 1010 Ω |
| Grado de contaminación | 1 |
| Categoría de sobrevoltaje | I |
| Grupo de materiales | II |
| Cumplimiento de EMV | sin blindaje |
Material
másmenos| Material de la carcasa | Fundición de zinc niquelada |
| Material del cuerpo de contacto | PBT (UL94 V-0) |
| Material de contacto | CuSn (bronce) |
| Chapado de contacto | Ag (plata) |
| REACH SVHC |
CAS 7439-92-1 (Lead) |
| PFAS presentes | 8b2295aa-66af-464e-9b8c-caa6ab32b492 |
Datos sobre cables trenzados
másmenos| Estructura del alambre | |
| Sección transversal (mm²) | 8 x 0,34 mm² |
| Sección transversal (AWG) | 8 x AWG 22 |
| Diámetro del cable | 1,65 mm |
| Colores del cable |
Café blanco azul verde amarillo gris rosa rojo |
| Material de la funda | PVC |
| Material del cable | Cu (enlatado) |
| Estructura del cable | 7 x 0,254 mm |
| Propiedades eléctricas | |
| Tensión nominal | 300 V |
| Tensión nominal de impulso | 3000 V |
| Resistencia de aislamiento | 20,0 MΩ/Km (20 °C) |
| Propiedades térmicas | |
| Rango de temperatura del cable en movimiento de / a (°C) | -10 °C / 105 °C |
| Rango de temperatura del cable fijo de / a (°C) | -40 °C / 105 °C |
Autorizaciones / aprobaciones
másmenos| Approvals | UL 2238, Cumple con AISG |
Clasificaciones
másmenos| ETIM 9.0 | EC003569 |
Trade-Compliance
másmenos| Copper (9903.78.01) | 0.005570 kg |
Avisos de seguridad
- El conector no debe estar enchufado ni estar desenchufado bajo carga. El incumplimiento y el uso inadecuado pueden provocar lesiones personales.
- Los conectores se han desarrollado para aplicaciones en planta de ingeniería, control y construcción de equipos eléctricos. El usuario es responsable de comprobar si los conectores también se pueden utilizar en otras áreas de aplicación.
- Los conectores que se utilizan en circuitos con voltajes peligrosos al tacto sólo pueden ser instalados y utilizados por, o bajo la supervisión de, personas con formación en ingeniería eléctrica, teniendo en cuenta las normativas y normas aplicables.
- Los conectores enchufables con protección del recinto IP67 e IP68 no son adecuados para su uso bajo el agua. Cuando se utilizan en exteriores, los conectores enchufables deben protegerse por separado contra la corrosión. Para obtener más información sobre las clases de protección IP, consulte "información técnica" Centro de descargas
- Por favor observe el grado de contaminación y la categoría de sobretensión. Para obtener más información, consulte el centro de descargas "información técnica"
- Para bloquear el conector del cable con el conector del dispositivo, el anillo roscado se aprieta "apretado con la mano"(aprox. 60 cNm).
Descargas
Ficha técnica
Ficha técnica 09 0173 702 08
descargar
Certificado
Certificado UL
descargar
REACH
09 0173 702 08
descargar
RoHS
09 0173 702 08
descargar
China RoHS
09 0173 702 08
descargar
Datos EPLAN
09 0173 702 08
descargar
Verificación para descargar
Complete la verificación para continuar con la descarga CAD.
Datos CAD
Elija su formato preferido


