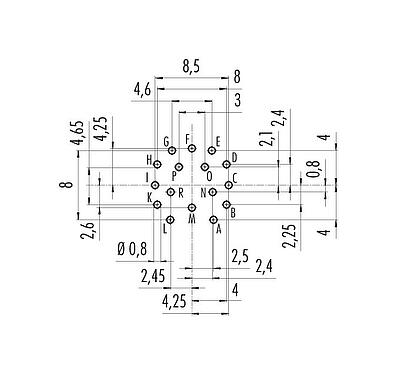
Número de parte: 09 0340 90 16
M16 Toma de brida, Número de contactos: 16, sin blindaje, THT, IP40, M18x0,75, Montaje en pared
M16 IP40, serie 680, Conectores miniatura
Características generales
másmenos| Número de parte | 09 0340 90 16 |
| Diseño de conector | Toma de brida |
| Versión | Conector hembra recto |
| Sistema de bloqueo de conector | tornillo |
| Terminación | THT |
| Grado de protección | IP40 |
| Rango de temperatura desde / hasta | -40 °C / 85 °C |
| Operacion mecanica | > 500 ciclos de conexión |
| Peso (gr) | 9.12 |
| Número de arancel aduanero | 85369010 |
| País de origen | DE |
Parámetros eléctricos
másmenos| Voltaje nominal | 60 V |
| Voltaje de impulso nominal | 500 V |
| Corriente nominal (40 ° C) | 3,0 A |
| Resistencia de aislamiento | ≥ 1010 Ω |
| Grado de contaminación | 1 |
| Categoría de sobrevoltaje | I |
| Grupo de materiales | III |
| Cumplimiento de EMV | sin blindaje |
Material
másmenos| Material de la carcasa | Fundición de zinc niquelada |
| Material del cuerpo de contacto | PBT (UL94 V-0) |
| Material de contacto | CuSn (bronce) |
| Chapado de contacto | Au (oro) |
| REACH SVHC |
CAS 7439-92-1 (Lead) |
| PFAS presentes | a565e017-8741-41b7-a634-4d37b9c10eab |
Clasificaciones
másmenos| eCl@ss 11.1 | 27-44-01-09 |
| ETIM 9.0 | EC003569 |
Avisos de seguridad
- El conector no debe estar enchufado ni estar desenchufado bajo carga. El incumplimiento y el uso inadecuado pueden provocar lesiones personales.
- Los conectores se han desarrollado para aplicaciones en planta de ingeniería, control y construcción de equipos eléctricos. El usuario es responsable de comprobar si los conectores también se pueden utilizar en otras áreas de aplicación.
- Los conectores que se utilizan en circuitos con voltajes peligrosos al tacto sólo pueden ser instalados y utilizados por, o bajo la supervisión de, personas con formación en ingeniería eléctrica, teniendo en cuenta las normativas y normas aplicables.
- El usuario debe tomar las precauciones de seguridad adecuadas para asegurarse de que el conector no pueda desconectarse accidentalmente.
- Por favor observe el grado de contaminación y la categoría de sobretensión. Para obtener más información, consulte el centro de descargas "información técnica"
- Para bloquear el conector del cable con el conector del dispositivo, el anillo roscado se aprieta "apretado con la mano"(aprox. 60 cNm).
Descargas
Ficha técnica
Ficha técnica 09 0340 90 16
descargar
REACH
09 0340 90 16
descargar
RoHS
09 0340 90 16
descargar
China RoHS
09 0340 90 16
descargar
Datos EPLAN
09 0340 90 16
descargar
Verificación para descargar
Complete la verificación para continuar con la descarga CAD.
Datos CAD
Elija su formato preferido




