Part no.: 09 0044 00 07
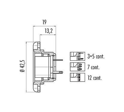
M25 Female panel mount connector, Contacts: 7, shieldable, solder, IP40, Front mounting
M25, series 691, Power Connectors
General features
Moreless| Part no. | 09 0044 00 07 |
| Connector design | Female panel mount connector |
| Version | Connector socket straight |
| Connector locking system | screw |
| Termination | solder |
| Degree of protection | IP40 |
| Connection cross-section | 0.75 mm² / AWG 18 |
| Temperature range from/to | -40 °C / 85 °C |
| Mechanical operation | > 500 Mating cycles |
| Weight (g) | 36.11 |
| Customs tariff number | 85369010 |
| Country of Origin | DE |
Electrical parameters
Moreless| Rated voltage | 250 V |
| Rated impulse voltage | 2500 V |
| Rated current | 5.0 A |
| Insulation resistance | ≥ 1010 Ω |
| Pollution degree | 1 |
| Overvoltage category | II |
| Insulating material group | III |
| EMC compliance | shieldable |
| Shield connection | Shield on the housing |
Material
Moreless| Housing material | GD-AL eloxiert |
| Contact body material | PET (UL94 V-0) |
| Contact material | CuSn (bronze) |
| Contact plating | Ag (silver) |
| REACH SVHC |
None (No pollutants) |
| SCIP number | SCIP-number not available |
Classifications
Moreless| eCl@ss 11.1 | 27-44-01-09 |
| ETIM 9.0 | EC003569 |
Security notices
- The connector must not be plugged or unplugged under load. Non-observance and improper use can result in personal injury.
- The connectors have been developed for applications in plant engineering, control and electrical equipment construction. The user is responsible for checking whether the connectors can also be used in other areas of application.
- Connectors which are used in circuits with voltages dangerous to the touch may only be installed and used by, or under the supervision of, persons with electrical engineering training, taking into account the applicable regulations and standards.
- To lock the cable connector to the device connector, we recommend tightening the threaded ring to 1.25 Nm. A suitable torque wrench is available as an accessory (order no. 07 0082 000).
Downloads
Data sheet
Data sheet 09 0044 00 07
download
REACH
09 0044 00 07
download
RoHS
09 0044 00 07
download
China RoHS
09 0044 00 07
download
EPLAN data
09 0044 00 07
download
Verify to download
Please complete the verification to proceed with the CAD download.
CAD files
Select required format



