Part no.: 99 3390 282 04
M8 Female angled panel mount connector, Contacts: 4, unshielded, THR, IP67, UL 2238
M8, series 718, Automation Technology - Sensors and Actuators
General features
Moreless| Part no. | 99 3390 282 04 |
| Connector design | Female angled panel mount connector |
| Type standard | DIN EN 61076-2-104 |
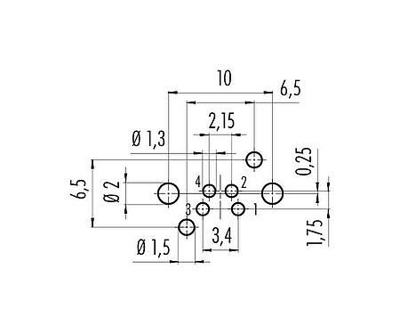
| Coding | A-coded |
| Version | Connector socket angled |
| Connector locking system | screw |
| Termination | THR |
| Degree of protection | IP67 |
| Temperature range from/to | -40 °C / 85 °C |
| Mechanical operation | > 100 Mating cycles |
| Weight (g) | 3.55 |
| Customs tariff number | 85369010 |
| Country of Origin | DE |
Electrical parameters
Moreless| Rated voltage | 50 V (AC) / 60 V (DC) |
| Rated impulse voltage | 1500 V |
| Rated current | 4.0 A |
| Pollution degree | 3 |
| Overvoltage category | II |
| Insulating material group | II |
| EMC compliance | unshielded |
Material
Moreless| Housing material | CuZn (Brass nickel plated) |
| Contact body material | PA |
| Contact material | CuSn (bronze) |
| Contact plating | Au (gold) |
| REACH SVHC |
CAS 7439-92-1 (Lead) |
| SCIP number | 166a3270-c2ab-46ea-befc-a57030ec6eb9 |
Authorization/approvals
Moreless| Approvals | UL 2238 |
Classifications
Moreless| eCl@ss 11.1 | 27-44-01-02 |
| ETIM 9.0 | EC002635 |
Security notices
- The connector must not be plugged or unplugged under load. Non-observance and improper use can result in personal injury.
- The connectors have been developed for applications in plant engineering, control and electrical equipment construction. The user is responsible for checking whether the connectors can also be used in other areas of application.
- Connectors which are used in circuits with voltages dangerous to the touch may only be installed and used by, or under the supervision of, persons with electrical engineering training, taking into account the applicable regulations and standards.
- The user must take suitable safety precautions to ensure that the connector cannot be accidentally disconnected.
- Plug connectors with enclosure protection IP67 and IP68 are not suitable for use under water. When used outdoors, the plug connectors must be protected separately against corrosion. For further information on the IP protection classes, please refer to the "Technical Information" download centre.
- Please observe the pollution degree and the overvoltage category. For further information, please refer to the download center "Technical Information".
- To lock the cable connector with the device connector, the threaded ring is tightened "hand-tight" (approx. 50 cNm).
Downloads
Data sheet
Data sheet 99 3390 282 04
download
Certificates
UL certificate
download
REACH
99 3390 282 04
download
RoHS
99 3390 282 04
download
China RoHS
99 3390 282 04
download
EPLAN data
99 3390 282 04
download
Verify to download
Please complete the verification to proceed with the CAD download.
CAD files
Select required format



