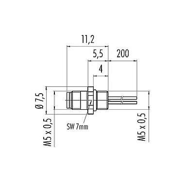
Part no.: 09 3105 00 03
M5 Male panel mount connector, Contacts: 3, unshielded, single wires, IP67, M5x0.5, Front mounting
M5, series 707, Automation Technology - Sensors and Actuators
There is a newer version of this article
Direct comparison old/new version
76 8005 0117 00003-0200
M5 Male panel mount connector, Contacts: 3, unshielded, single wires, IP67, UL 2238, M5x0.5, Front mounting
M5, series 707, Automation Technology - Sensors and Actuators
General features
Moreless| Part no. | 09 3105 00 03 |
| Connector design | Male panel mount connector |
| Type standard | DIN EN 61076-2-105 |
| Coding | A-coded |
| Wire length | 0.2 m (Standard 0.2 m. Other lengths are available on request). |
| Version | Connector pin straight |
| Connector locking system | screw |
| Termination | single wires |
| Degree of protection | IP67 |
| Connection cross-section | 0.14 mm² / AWG 26 |
| Temperature range from/to | -25 °C / 80 °C |
| Mechanical operation | > 100 Mating cycles |
| Weight (g) | 2.46 |
| Customs tariff number | 85369010 |
| Country of Origin | DE |
Electrical parameters
Moreless| Rated voltage | 60 V |
| Rated impulse voltage | 800 V |
| Rated current | 1.0 A |
| Insulation resistance | > 108 Ω |
| Pollution degree | 3 |
| Overvoltage category | II |
| Insulating material group | I |
| EMC compliance | unshielded |
Material
Moreless| Contact body material | PA |
| Contact material | CuZn (brass) |
| Contact plating | Au (gold) |
| REACH SVHC |
CAS 7439-92-1 (Lead) |
| SCIP number | 3257bba6-022c-4895-b3f7-d31ba5e66624 |
Wire Data
Moreless| Structure of the wire | |
| Cross section (mm²) | 3 x 0.14 mm² |
| Cross section (AWG) | 3 x AWG 26 |
| Wire diameter | 1,1 mm |
| Wire colors |
black brown blue |
| Sheath material | PVC |
| Wire material | Cu (tinned) |
| Wire structure | 18 x 0.10 mm |
| Electrical properties | |
| Rated voltage | 500 V |
| Rated impulse voltage | 1200 V |
| Wire resistance | 135 Ω/Km (20°C) |
| Insulation resistance | 20.0 MΩ/Km (20 °C) |
| Thermal properties | |
| Temperature range wire in move from / to (°C) | -5 °C / 70 °C |
| Temperature range wire fixed from / to (°C) | -30 °C / 70 °C |
Classifications
Moreless| eCl@ss 11.1 | 27-44-01-09 |
| ETIM 9.0 | EC003569 |
Security notices
- The connector must not be plugged or unplugged under load. Non-observance and improper use can result in personal injury.
- The connectors have been developed for applications in plant engineering, control and electrical equipment construction. The user is responsible for checking whether the connectors can also be used in other areas of application.
- Connectors which are used in circuits with voltages dangerous to the touch may only be installed and used by, or under the supervision of, persons with electrical engineering training, taking into account the applicable regulations and standards.
- The user must take suitable safety precautions to ensure that the connector cannot be accidentally disconnected.
- Plug connectors with enclosure protection IP67 and IP68 are not suitable for use under water. When used outdoors, the plug connectors must be protected separately against corrosion. For further information on the IP protection classes, please refer to the "Technical Information" download centre.
- Please observe the pollution degree and the overvoltage category. For further information, please refer to the download center "Technical Information".
- To lock the cable connector with the device connector, the threaded ring is tightened "hand-tight" (approx. 50 cNm).
Downloads
Data sheet
Data sheet 09 3105 00 03
download
REACH
09 3105 00 03
download
RoHS
09 3105 00 03
download
China RoHS
09 3105 00 03
download
EPLAN data
09 3105 00 03
download
Verify to download
Please complete the verification to proceed with the CAD download.
CAD files
Select required format




