Beställning nr: 86 6321 1121 00404
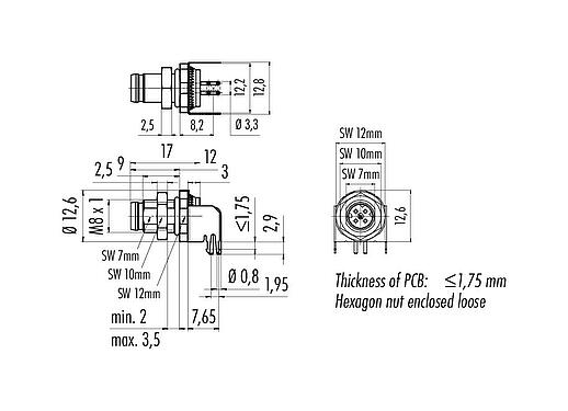
M8 Flänsplugg, vinklad, antal poler: 4, kan skärmas, THT, IP67, Bakre väggmontering
M8-D, Serie 818, Automatiseringsteknik – sensorer och ställdon
Allmänna värden
Merless| Artikelnummer | 86 6321 1121 00404 |
| Kontakttyp | Flänsplugg, vinklad |
| Typ standard | DIN EN 61076-2-114 |
| Kodning | D-kodad |
| Version | Anslutningsdon pin vinklad |
| Kopplingsmetod | skruvning |
| Kontakttermineringstyp | THT |
| Skyddsklass | IP67 |
| Temperaturområde från / till | -40 °C / 85 °C |
| Mekanisk livslängd | > 100 anslutningscykler |
| Vikt (gr) | 4.84 |
| Tullvarukod | 85369010 |
| Ursprungsland | DE |
Elektriska värden
Merless| Märkspänning | 63 V DC |
| Märkt impulsspänning | 1500 V |
| Märkström | 4,0 A |
| Isoleringsmotstånd | > 108 Ω |
| Nedsmutsningsgrad | 3 |
| Isolationsgrupp | III |
| EMC godkänd | kan skärmas |
| Sköldanslutning | Skyddsplatta |
Material
Merless| Material kontakthus | pressgjutgods zink förnicklat |
| Material kontaktinsats | PA gul/grön |
| Material kontaktelement | CuZn (mässing) / CuSn (brons) |
| Plätering kontaktelement | Au (guld) |
| REACH SVHC |
CAS 7439-92-1 (Lead) |
| SCIP nummer | d1070752-a819-432e-a5e2-f9e86b2ad9f5 |
Klassificeringar
Merless| eCl@ss 11.1 | 27-44-01-09 |
| ETIM 9.0 | EC003569 |
Säkerhetsmeddelanden
- Anslutningen får inte sättas in eller kopplas bort under belastning. Bristande efterlevnad och felaktig användning kan leda till personskada.
- Anslutningarna har utvecklats för tillämpningsområden inom anläggning, styrning och konstruktion av elektriska enheter. Det är användarens ansvar att kontrollera om anslutningarna också kan användas inom andra användningsområden.
- Kontaktdon som används i kretsar med farliga kontaktspänningar får endast installeras och användas av eller under övervakning av personer som har utbildats i elektroteknik, med hänsyn till tillämpliga bestämmelser och standarder.
- Användaren måste vidta lämpliga säkerhetsåtgärder så att kontakten inte kan kopplas bort av misstag.
- Kontaktdon med skyddsklass IP67 och IP68 är inte lämpliga för användning under vatten. Vid användning utomhus måste kontakterna skyddas separat mot korrosion. Mer information om klasserna för IP-skydd finns i nedladdningscentret "Teknisk information".
- Observera graden av föroreningar och överspänningskategorin. Mer information finns i nedladdningscentret "Teknisk information".
- För att låsa kabelkontakten med enhetskontakten dras den gängade ringen "handtätt" (ca 40 cNm).
Nedladdningar
Datablad
Datablad 86 6321 1121 00404
Nedladdning
REACH
86 6321 1121 00404
Nedladdning
RoHS
86 6321 1121 00404
Nedladdning
China RoHS
86 6321 1121 00404
Nedladdning
EPLAN-data
86 6321 1121 00404
Nedladdning
Verifiera för nedladdning
Slutför verifieringen för att fortsätta med CAD-nedladdningen.
CAD-data
Välj önskat format




