Tilauksen numero: 09 0762 090 05
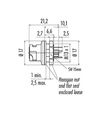
Pistin Laippapistorasia, Napojen määrä: 5, suojaamaton, THT, IP54 ilman liitäntää, M13x1,0, Etukiinnitys
Pistin NCC, Sarja 670, Subminiature-liittimet
Yleiset ominaisuudet
mehrweniger| Ordernummer | 09 0762 090 05 |
| Anslutningsdesign | Laippapistorasia |
| Versio | Liitin uros suora |
| Kontaktlåsning | Pistin |
| Anslutningstyp | THT |
| Typ av skydd |
IP54 ilman liitäntää IP67 |
| Liitännän poikkileikkaus | 0,25 mm² / AWG 24 |
| Begränsa temperaturen från / till | -25 °C / 85 °C |
| Mekanisk livslängd | > 1000 liitäntäsykliä |
| Vikt (gr) | 3.89 |
| Tulltaxenummer | 85369010 |
| Alkuperämaa | DE |
Sähköiset ominaisuudet
mehrweniger| Märkspänning | 50 V |
| Märkd impulsspänning | 500 V |
| Märkström | 2,0 A |
| Grad | 2 |
| Överspänningskategori | II |
| Gruppen isolerande material | II |
| EMC lämplighet | suojaamaton |
Materiaalit
mehrweniger| Materialbostäder | PA |
| Material Kontakt kropp | PA |
| Materialkontakt | CuSn (pronssi) |
| Kontaktyta | Au (kulta) |
| REACH SVHC |
CAS 7439-92-1 (Lead) |
| PFAS-yhdisteiden esiintyminen | c6436bd5-17bc-4563-b2a0-c1e586ac5acb |
Luokitukset
mehrweniger| eCl@ss 11.1 | 27-44-01-09 |
| ETIM 9.0 | EC003569 |
Turvallisuushuomautukset
- Liittimiä ei saa asentaa tai irrottaa kuormituksen alaisena. Laitteiden noudattamatta jättäminen ja virheellinen käyttö voi johtaa henkilövahinkoihin.
- Liittimet on kehitetty käyttökohteisiin tehdas-, ohjaus- ja sähkölaitteiden rakentamisessa. Käyttäjän vastuulla on tarkistaa, voidaanko liittimiä käyttää myös muilla sovellusalueilla.
- Pistokeliittimet, joita käytetään piireissä, joissa on vaarallinen kosketusjännite, saa asentaa ja käyttää vain sähkötekniikan koulutuksen saaneet henkilöt tai heidän valvonnassaan ottaen huomioon sovellettavat määräykset ja standardit.
- Käyttäjän on toteutettava asianmukaiset turvatoimenpiteet, jotta liitintä ei voida vahingossa irrottaa.
- Liittimet, joiden suojausluokka on IP67 ja IP68, eivät sovellu käytettäväksi veden alla. Ulkona käytettäessä liittimet on suojattava erikseen korroosiolta. Lisätietoja IP-suojausluokista on teknisten tietojen latauskeskuksessa.
- Huomaa saasteaste ja ylijännitekategoria. Lisätietoja on teknisten tietojen latauskeskuksessa.
Lataukset
Tietolomake
Tietolomake 09 0762 090 05
download
REACH
09 0762 090 05
download
RoHS
09 0762 090 05
download
China RoHS
09 0762 090 05
download
EPLAN-tiedot
09 0762 090 05
download
Vahvista ladattavaksi
Suorita vahvistus jatkaaksesi CAD-latausta.
CAD-tiedot
Valitse haluamasi muoto



