Tilauksen numero: 09 0312 99 04
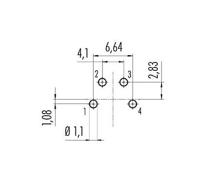
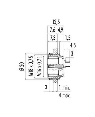
M16 Laippapistorasia, Napojen määrä: 4 (04-a), suojaamaton, THT, IP40, M18x0,75, Kiinnitys takaseinään
M16 IP40, Sarja 680, Miniature-liittimet
Yleiset ominaisuudet
mehrweniger| Ordernummer | 09 0312 99 04 |
| Anslutningsdesign | Laippapistorasia |
| Tyyppistandardi | DIN EN 61076-2-106 |
| Versio | Liitin naaras suora |
| Kontaktlåsning | ruuvaus |
| Anslutningstyp | THT |
| Typ av skydd | IP40 |
| Begränsa temperaturen från / till | -40 °C / 85 °C |
| Mekanisk livslängd | > 500 liitäntäsykliä |
| Vikt (gr) | 8.80 |
| Tulltaxenummer | 85369010 |
| Alkuperämaa | DE |
Sähköiset ominaisuudet
mehrweniger| Märkspänning | 250 V |
| Märkd impulsspänning | 1500 V |
| Märkström | 6,0 A |
| Isoleringsmotstånd | ≥ 1010 Ω |
| Grad | 1 |
| Överspänningskategori | I |
| Gruppen isolerande material | III |
| EMC lämplighet | suojaamaton |
Materiaalit
mehrweniger| Materialbostäder | sinkkipainevalu nikkelöity |
| Material Kontakt kropp | PBT (UL94 V-0) |
| Materialkontakt | CuSn (pronssi) |
| Kontaktyta | Au (kulta) |
| REACH SVHC |
CAS 7439-92-1 (Lead) |
| PFAS-yhdisteiden esiintyminen | 75becd3c-200b-46d3-ad7e-f7e835c0b218 |
Luokitukset
mehrweniger| eCl@ss 11.1 | 27-44-01-09 |
| ETIM 9.0 | EC003569 |
Turvallisuushuomautukset
- Liittimiä ei saa asentaa tai irrottaa kuormituksen alaisena. Laitteiden noudattamatta jättäminen ja virheellinen käyttö voi johtaa henkilövahinkoihin.
- Liittimet on kehitetty käyttökohteisiin tehdas-, ohjaus- ja sähkölaitteiden rakentamisessa. Käyttäjän vastuulla on tarkistaa, voidaanko liittimiä käyttää myös muilla sovellusalueilla.
- Pistokeliittimet, joita käytetään piireissä, joissa on vaarallinen kosketusjännite, saa asentaa ja käyttää vain sähkötekniikan koulutuksen saaneet henkilöt tai heidän valvonnassaan ottaen huomioon sovellettavat määräykset ja standardit.
- Käyttäjän on toteutettava asianmukaiset turvatoimenpiteet, jotta liitintä ei voida vahingossa irrottaa.
- Huomaa saasteaste ja ylijännitekategoria. Lisätietoja on teknisten tietojen latauskeskuksessa.
- Kaapeliliittimen lukitsemiseksi laiteliittimellä kierteitetty rengas kiristetään "käsin tiukasti" (noin 60 cNm).
Lataukset
Tietolomake
Tietolomake 09 0312 99 04
download
REACH
09 0312 99 04
download
RoHS
09 0312 99 04
download
China RoHS
09 0312 99 04
download
CAD-tiedot
Valitse haluamasi muoto




