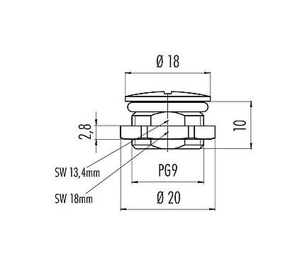
Yleiset ominaisuudet
mehrweniger| Ordernummer | 08 3128 000 000 |
| Anslutningsdesign | Sokeatulpat / peitetulpat |
| Typ av skydd | IP67 |
| Temperaturområde | -40 °C/+85 °C |
| Vikt (gr) | 18.06 |
| Tulltaxenummer | 85366990 |
| Alkuperämaa | DE |
Materiaalit
mehrweniger| REACH SVHC |
CAS 7439-92-1 (Lead) |
| PFAS-yhdisteiden esiintyminen | 62c7ea24-82e3-4345-a76d-e319ffd991f1 |
| Material | CuZnNi |
Luokitukset
mehrweniger| eCl@ss 11.1 | 27-44-02-08 |
| ETIM 9.0 | EC002314 |
Turvallisuushuomautukset
- Käyttäjän on toteutettava asianmukaiset turvatoimenpiteet, jotta liitintä ei voida vahingossa irrottaa.

