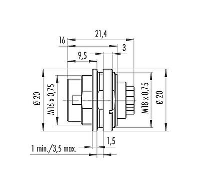
Číslo položky: 09 0115 700 05
M16 Přírubová zátka, : 5 (05-a), nestíněný, krimpování (krimpovací kontakty je třeba objednat zvlášť), IP67, UL 2238, M18x0,75, Přední montáž
M16 IP67, Série 723, Miniaturní konektory
Obecné vlastnosti
víceméně| Díl č. | 09 0115 700 05 |
| Konstrukce konektoru | Přírubová zátka |
| Standard typu | DIN EN 61076-2-106 |
| Provedení | Konektory pin přímý |
| Uzamykací systém konektorů | šrouby |
| Ukončení | krimpování (krimpovací kontakty je třeba objednat zvlášť) |
| Stupeň ochrany 1 | IP67 |
| Průřez přípojky | klikněte zde pro více informací |
| Rozsah teplot od/do | -40 °C / 100 °C |
| Mechanický provoz | > 500 cyklů páření |
| Hmotnost (gr) | 10.24 |
| Číslo celního sazebníku | 85369010 |
| Země původu | DE |
Elektrické parametry
víceméně| Jmenovité napětí | 250 V |
| Jmenovité impulzní napětí | 1500 V |
| Jmenovitý proud | 6,0 A |
| Izolační odpor | ≥ 1010 Ω |
| Stupeň znečištění | 1 |
| Kategorie přepětí | I |
| Skupina materiálů | III |
| Soulad s EMV | nestíněný |
Materiál
víceméně| Materiál pouzdra | Zinkový tlakový odlitek poniklovaný |
| Materiál kontaktního tělesa | PBT (UL94 V-0) |
| Materiál kontaktu | v závislosti na krimpovacím kontaktu (příslušenství) |
| REACH SVHC |
CAS 7439-92-1 (Lead) |
| SCIP číslo | 4c851482-9fbf-418f-bcb6-3e9e0e56beb7 |
Autorizace/schválení
víceméně| Schválení | UL 2238 |
Klasifikace
víceméně| eCl@ss 11.1 | 27-44-01-09 |
| ETIM 9.0 | EC003569 |
Trade-Compliance
víceméně| Copper (9903.78.01) | 0.003482 kg |
Bezpečnostní upozornění
- The connector must not be plugged or unplugged under load. Non-observance and improper use can result in personal injury.
- The connectors have been developed for applications in plant engineering, control and electrical equipment construction. The user is responsible for checking whether the connectors can also be used in other areas of application.
- Connectors which are used in circuits with voltages dangerous to the touch may only be installed and used by, or under the supervision of, persons with electrical engineering training, taking into account the applicable regulations and standards.
- Plug connectors with enclosure protection IP67 and IP68 are not suitable for use under water. When used outdoors, the plug connectors must be protected separately against corrosion. For further information on the IP protection classes, please refer to the "Technical Information" download centre.
- Please observe the pollution degree and the overvoltage category. For further information, please refer to the download center "Technical Information".
- To lock the cable connector with the device connector, the threaded ring is tightened "hand-tight" (approx. 60 cNm).
Stahování
Datový list
Datový list 09 0115 700 05
stáhnout
Certifikát
Certifikát UL
stáhnout
REACH
09 0115 700 05
stáhnout
RoHS
09 0115 700 05
stáhnout
China RoHS
09 0115 700 05
stáhnout
EPLAN数据
09 0115 700 05
stáhnout
Krimpovací kontakty a příslušenství
Datový list příslušenství
stáhnout
Ověření pro stažení
Pro pokračování stažení CAD dokončete prosím ověření.
Soubory CAD
Vyberte požadovaný formát



