Číslo položky: 09 0332 90 12
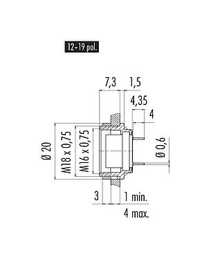
M16 Přírubová zásuvka, : 12 (12-a), nestíněný, THT, IP40, M18x0,75, Montáž na zadní stěnu
M16 IP40, Série 680, Miniaturní konektory
Obecné vlastnosti
víceméně| Díl č. | 09 0332 90 12 |
| Konstrukce konektoru | Přírubová zásuvka |
| Standard typu | DIN EN 61076-2-106 |
| Provedení | Konektory zásuvka přímý |
| Uzamykací systém konektorů | šrouby |
| Ukončení | THT |
| Stupeň ochrany 1 | IP40 |
| Rozsah teplot od/do | -40 °C / 85 °C |
| Mechanický provoz | > 500 cyklů páření |
| Hmotnost (gr) | 8.87 |
| Číslo celního sazebníku | 85369010 |
| Země původu | DE |
Elektrické parametry
víceméně| Jmenovité napětí | 60 V |
| Jmenovité impulzní napětí | 500 V |
| Jmenovitý proud | 3,0 A |
| Izolační odpor | ≥ 1010 Ω |
| Stupeň znečištění | 1 |
| Kategorie přepětí | I |
| Skupina materiálů | III |
| Soulad s EMV | nestíněný |
Materiál
víceméně| Materiál pouzdra | Zinkový tlakový odlitek poniklovaný |
| Materiál kontaktního tělesa | PBT (UL94 V-0) |
| Materiál kontaktu | CuSn (bronz) |
| Pokovení kontaktů | Au (zlato) |
| REACH SVHC |
CAS 7439-92-1 (Lead) |
| SCIP číslo | 2a1d3d02-4641-4366-9e5a-f808d174edbb |
Klasifikace
víceméně| eCl@ss 11.1 | 27-44-01-09 |
| ETIM 9.0 | EC003569 |
Bezpečnostní upozornění
- The connector must not be plugged or unplugged under load. Non-observance and improper use can result in personal injury.
- The connectors have been developed for applications in plant engineering, control and electrical equipment construction. The user is responsible for checking whether the connectors can also be used in other areas of application.
- Connectors which are used in circuits with voltages dangerous to the touch may only be installed and used by, or under the supervision of, persons with electrical engineering training, taking into account the applicable regulations and standards.
- The user must take suitable safety precautions to ensure that the connector cannot be accidentally disconnected.
- Please observe the pollution degree and the overvoltage category. For further information, please refer to the download center "Technical Information".
- To lock the cable connector with the device connector, the threaded ring is tightened "hand-tight" (approx. 60 cNm).
Stahování
Datový list
Datový list 09 0332 90 12
stáhnout
REACH
09 0332 90 12
stáhnout
RoHS
09 0332 90 12
stáhnout
China RoHS
09 0332 90 12
stáhnout
EPLAN数据
09 0332 90 12
stáhnout
Ověření pro stažení
Pro pokračování stažení CAD dokončete prosím ověření.
Soubory CAD
Vyberte požadovaný formát




